地磅基礎的施工方案以及基礎制作流程
發布時間:2024.04.11作者:超級管理員來源:本站點擊:407
地磅基礎的施工方案以及基礎制作流程
一、澆筑混凝土基礎
1. 在確定好地磅的位置后,測定基礎的大小并進行挖掘,設置一定的坡度和邊坡,以便排除積水,防止基礎受到水侵蝕。
2. 按照設計要求進行加固,包括加強筋的布置、地坪混凝土的厚度等。
3. 使用砼車將混凝土運輸到現場,然后進行澆筑和壓實。
4.在澆筑混凝土的過程中,需要注意隨時檢查混凝土的質量,以確?;A的牢固和穩定。
二、鋪設壓路機壓實基礎
1. 在測定好基礎的大小后,確定好壓路機的大小,并在地面上進行鋪設。
2.在鋪設時,需要盡量避免動用到地磅基礎周圍的大型機械。
3. 在鋪設壓路機的過程中,需要注意良好的鋪設質量和良好的壓實效果。
4.需要按照設計要求進行加強筋的布置和地坪混凝土的厚度等。
5.鋪設完畢后,使用壓路機進行緊實,以達到良好的壓實效果。
三、人工挖掘填埋基礎
1. 在選擇挖掘機時,需要選用至少符合地磅基礎大小的設備。
2. 進行挖掘,并注意挖掘的深度和坡度,并按照設計要求進行加固筋的布置和地坪混凝土的厚度等。
3. 將混凝土運輸到現場進行均勻鋪設,然后再進行壓實,以達到良好的壓實效果。
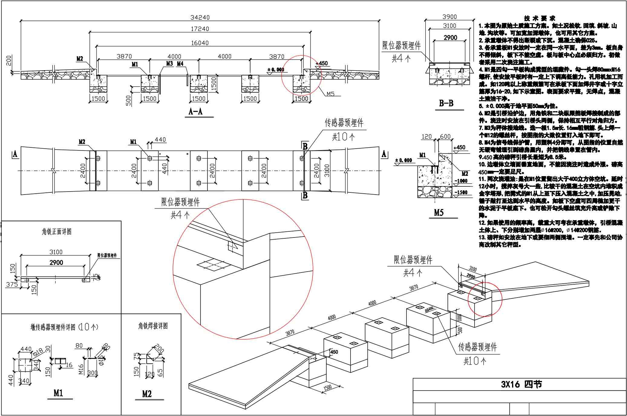
四、地磅基礎制作流程
1、把現場挖到凍土線以下
2、碎石填實
3、扎鋼筋網,并焊兩邊限位
4、放置模板
5、倒混凝
6、放承重板(較關鍵),用水準儀測承重板的水平,承重板間不僅要拉直線距離還是位對角線土
總之,地磅基礎的施工方法有很多種,但不同的方法適用于不同的場合和需求。需要在具體的施工過程中,根據實際情況選擇最為適合的方法,以確保施工質量和安全性。
